
金湖县华升计量仪器有限公司
联系人:陈经理
电 话:0517-86994588
客 服:13915185455
客 服:15152325949
邮 箱:service@hs-0.com

型 号
| 公称
通径
(mm)
| 测量 范围(L/h)
| 精度(+%)
| 允许被测介质状况
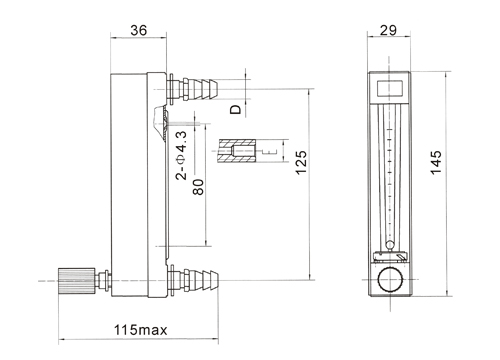
| D
| E
| 金属管外径 | ||
水Water20℃
| 空气(1.2x105pa)
| 工作
温度
| 工作
压力
| ||||||
-2℃+120℃ |
≤1.0Mpa
或≤1.6Mpa | ||||||||
DK800-4
DK800-4F |
4 |
0.25~2.5 |
0.5~5
0.8~8
1.6~16
4~40
6~60 |
2.5 |
Φ11.5 |
M10 x1 |
Φ6 | ||
DK800-6
DK800-6F |
6 |
0.5~5
1.2~12
2.5~25
4~40
6~60
10~100
16~160 |
10~100
25~250
50~500
80~800
100~1000
180~1800
240~2400
300~3000
350~3500
430~4300 | ||||||