
金湖县华升计量仪器有限公司
联系人:陈经理
电 话:0517-86994588
客 服:13915185455
客 服:15152325949
邮 箱:service@hs-0.com
您可能非常熟悉常见的工业总线,例如RS232,RS485,CAN等。它们都是传输数字信号的方法。那么,我们使用什么方法来传输模拟信号?工业通常需要测量各种非电气物理量,例如温度,压力,速度,角度等,这些物理量需要先转换为模拟电信号,然后才能传输至数百个控制室或显示设备几米远。业界使用最广泛的是使用4-20mA电流来传输模拟量。
使用电流信号的原因是它不容易受到干扰,因为在工业领域中噪声电压的幅度可能达到几伏,但是噪声的功率很弱,所以噪声电流通常小于nA电平,所以由4-20mA传输引起的误差非常大大。小的;电流源的内部电阻趋于无穷大,并且环路中串联的电线的电阻不影响精度,因此普通双绞线可以传输数百米。由于较大的内部电阻和电流源的恒定电流输出,我们只需要将250欧姆电阻接地,即可获得0-5V的电压。输入阻抗低的接收器的优势在于,nA级输入电流噪声只会产生非常弱的电压噪声。
由于防爆要求,上限为20mA:由20mA电流的开关引起的火花能量不足以点燃气体。下限未设置为0mA的原因是为了能够检测到断开连接:在正常运行期间,下限不得低于4mA。当传输线由于故障而断开时,环路电流降至0。2mA通常用作断开警报值。电流变送器将物理量转换为4-20mA电流输出,该电流必须由外部电源供电。最典型的是,变送器需要两根电源线,再加上两条电流输出线,总共连接了四根线,这称为四线变送器。当然,电流输出可以与电源在同一条线上共享VCC或GND,从而节省了一条线。因此,现在四线制变送器基本上称为三线制变送器。实际上,您可能已经注意到4-20mA电流本身可以为变送器供电。变送器相当于电路中的特殊负载。这种类型的变送器仅需要两根外部导线,因此称为两线制。制变送器。工业电流环路标准的下限为4mA,因此在该范围内,变送器通常仅具有24V,4mA电源。因此,在轻负载条件下,高效的DC/DC电源TPS54331,TPS54160,低功耗传感器和信号链产品,以及MSP430等低功耗处理器对于两线制4-20mA电源非常重要收发器。这使两线制传感器的设计成为可能并具有挑战性。
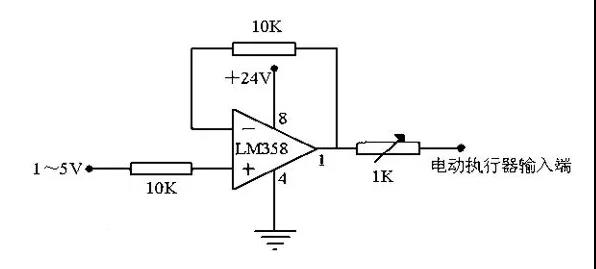
通常需要设计一个VI转换器,输入0-3.3v,输出4mA-20mA,可以使用运算放大器LM358,电源+ 12v。
系统地分析了为什么模拟设备更喜欢使用4〜20mA来传输信号。4-20mA。 DC1-5V.DC信号系统是国际电工委员会IEC过程控制系统采用的模拟信号传输标准。我国也采用了这种国际标准的信号系统。仪器使用4-20mA.DC信号传输和1-5V.DC信号接收,即信号系统采用电流传输和电压接收。仪器为4-20mA,这意味着最小电流为4mA,最大电流为20mA。传输信号时,由于导线上有电阻,如果使用电压传输,导线上会产生一定的电压降,接收端的信号会有一定的误差,所以电流信号一般为用作发送器的标准传输。
一、什么是4〜20mA.DC1〜5V.DC信号系统?
4〜20mA.DC1〜5V.DC信号系统是国际电工委员会的IEC:用于过程控制的模拟信号标准系统。我国已经采用了DDZ-Ⅲ电器的这一国际标准信号系统。仪表的传输信号采用4-20mA.DC,接点信号采用1〜5V.DC,即信号系统采用电流传输和电压接收。
4〜20mA的电流回路工作原理:



在工业领域中,使用仪表放大器来完成信号调理和长线传输将导致以下问题:首先,由于传输的信号是电压信号,因此传输线将受到噪声的干扰;其次,传输线的分布电阻会产生电压降;第三,如何在现场提供仪表放大器的工作电压也是一个问题。
为了解决上述问题并避免相关噪声的影响,我们使用电流来传输信号,因为电流对噪声不敏感。4-20mA电流回路使用4mA表示零信号,使用20mA表示信号的满量程,并且低于4mA和高于20mA的信号用于各种故障警报。
二、4〜20mA.DC1〜5V.DC信号系统有什么优势?
现场仪表可以实现两线制。所谓的两线制是指电源和负载串联连接并具有公共点。但是,现场变送器和控制室仪器之间的信号通信和电源仅使用两条线。因为信号的起始电流为4mA.DC,所以它将为变送器提供静态工作电流。同时,仪器的电气零点为4mA.DC,与机械零点不一致。这种有源零点有助于识别故障,例如电源故障和断线。此外,两线制系统也方便使用安全栅,有利于安全和防爆。
控制室中的仪器采用电压并行信号传输,并且属于同一控制系统的仪器之间有一个公共端子,方便使用检测仪器,调节仪器,计算机和警报设备,并且便于接线。
现场仪表与控制室仪表之间的通讯信号为4〜20mA.DC的原因是:由于现场与控制室之间的距离较长,如果电压信号为用于远程传输,比导线好。在接收仪器的电阻和输入电阻之间的分压器会产生较大的误差,并且恒定电流源信号用作远程传输。只要传输回路不分支,回路中的电流就不会随着导线的长度而变化,从而确保传输精度。
原因使用1〜5V.DC作为控制室中各仪器之间的通信信号是:为了方便多台仪器一起接收同一信号,并便于接线和形成各种复杂的控制系统。
如果将电流源用作接触信号,则当多台仪器一起接收到同一信号时,它们的输入电阻必须串联连接,这将导致最大负载电阻超过发射仪器的负载能力,并且每个接收仪器的信号负端电位各不相同,会引入干扰,并且不可能实现单个集中供电。
使用电压源信号连接,用于与现场仪表通讯的电流信号必须转换为电压信号。最简单的方法是在电流传输环路中串联一个250Ω标准电阻器,以将4-20mA.DC转换为1〜5V.DC,通常由分发者完成此任务。
三、为什么变送器选择4〜20mA.DC作为传输信号?
1、首先,从现场应用的安全考虑
安全的重点是考虑防爆和安全的火花型仪器,并以控制仪器的能量为前提以减少静态和动态功耗,以将仪器的正常运行保持在最低水平。对于输出4-20mA.DC标准信号的变送器,其电源电压通常为24V.DC。使用直流电压的主要原因是不需要大容量的电容器和电感器,而仅需要变送器和控制室仪器。连接线的分布电容和电感,例如2mm2线的分布电容约为0.05μ/ km;单根导线的电感约为0.4mH / km;它远低于引爆氢的值,这显然对防爆非常有利。
2、用于信号传输的电流源要优于电压源
因为在连接线的电阻较大时(如果电压过高)磁场与控制室之间的距离相对较长源信号用于远程传输,由于导线电阻和接收仪器的输入电阻的分压,会产生较大的误差。源信号用作远程传输。只要传输回路不分支,回路中的电流就不会随着导线的长度而变化,从而确保了传输的准确性。
3、最大信号电流为20mA的原因
选择20mA最大电流是基于安全性,实用性,功耗和成本考虑。安全火花计只能使用低电压和低电流。 4-20mA电流和24V.DC对于易燃氢气也很安全。 24V.DC氢气的爆炸电流为200mA,远高于20mA。另外,应综合考虑生产。影响因素,例如现场仪器之间的连接距离和所承受的负载;还有功耗和成本问题,电子组件要求和电源要求。
4、信号启动电流为4mA的原因
变送器输出为4-20mA大多是两线制。两线制意味着电源和负载串联连接,并且有一个共同点。但是,现场变送器和控制室仪器之间的信号通信和电源仅使用两条Wire。为什么启动信号不是0mA?这基于两点:首先,如果没有静态工作电流,发送器电路将无法工作。信号启动电流为4mA.DC,与机械零点不一致。这种带电零点有助于识别电源故障和断线等故障。
四、4-20mA传感器的起源?
采用电流信号的原因是不容易受到干扰,并且电流源的内部电阻是无限的。回路中串联的电线的电阻不会影响精度,它可以在普通的双绞线上传输数百米。
使用电流信号的原因是它不容易受到干扰,因为工业领域中的噪声电压幅度可能达到几伏,但是噪声的功率非常弱,因此噪声电流通常小于nA电平,因此引起误差由4-20mA传输非常大。小的;电流源的内部电阻趋于无穷大,并且环路中串联的电线的电阻不影响精度,因此普通双绞线可以传输数百米。由于较大的内部电阻和电流源的恒定电流输出,我们只需要将250欧姆电阻接地,即可获得0-5V的电压。输入阻抗低的接收器的优势在于,nA级输入电流噪声只会产生非常弱的电压噪声。
由于防爆要求,上限为20mA:由20mA电流的开关引起的火花能量不足以点燃气体。下限未设置为0mA的原因是为了能够检测到断开连接:在正常运行期间,下限不得低于4mA。当传输线由于故障而断开时,环路电流降至0。2mA通常用作断开警报值。电流变送器将物理量转换为4-20mA电流输出,该电流必须由外部电源供电。最典型的是,变送器需要两根电源线,再加上两条电流输出线,总共连接了四根线,这称为四线变送器。当然,电流输出可以与电源在同一条线上共享VCC或GND,这样可以节省一条线,称为三线发送器。实际上,您可能已经注意到4-20mA电流本身可以为变送器供电。变送器相当于电路中的特殊负载。其特殊之处在于,变送器的电流消耗根据传感器的输出在4到20 mA之间变化。显示仪器只需要在电路中串起即可。这种发射器仅需要2条外部线,因此称为两线发射器。工业电流回路的标准下限为4mA,因此只要在该范围内,变送器就至少具有4mA电源。
因此,4- 20mA信号输出通常不易受到干扰,并且安全可靠。因此,业界普遍使用两线制4-20mA电源输出信号。但是为了更好地处理传感器信号,还有更多其他形式的输出信号:3.33MV/V;2MV/V;0-5V;0-10V等。
附有一个4-20mA电压信号的简单电路图:

此图片使用250欧姆电阻将4-20mA电流信号转换为1至5V电压信号,然后使用RC滤波器和二极管。原谅我的模拟电路不好,我不知道连接到微控制器意味着什么。AD转换引脚。