金湖县华升计量仪器有限公司欢迎您!
金湖县华升计量仪器有限公司
全国服务热线:0517-86994588
电磁流量计
LD一体式电磁流量计
  • LD一体式电磁流量计

LD一体式电磁流量计


产品说明: LD智能电磁流量计是一种用来测量电导率大于5uS/cm导电液体的体积流量。可以测量水、泥浆、矿浆等一般导电液体及强酸、强碱等强腐蚀液体的流量。广泛用于化工、化纤、石油、冶金、轻纺、造纸、制药等工业部门及其他领域。 测量原理: LD智能电磁流量计的测量原理根据法拉电磁感应定律:导电液体在磁场中切割感应线运动时,导体

价格:面议
产品说明:
  LD智能电磁流量计是一种用来测量电导率大于5uS/cm导电液体的体积流量。可以测量水、泥浆、矿浆等一般导电液体及强酸、强碱等强腐蚀液体的流量。广泛用于化工、化纤、石油、冶金、轻纺、造纸、制药等工业部门及其他领域。
 
测量原理:
  LD智能电磁流量计的测量原理根据法拉电磁感应定律:导电液体在磁场中切割感应线运动时,导体内将产生感应电势。根据原理,在与测量管轴线和磁力线相垂直的导管内壁两侧安装一对电极,两个电极就产生感应电动势E。 测量流量时,导电性液体以速度∨流过垂直于流动方向的磁场导电电性液体的流动感应出一个与平均流速成正比的电压,其感应电压信号通过二个或二个以上与液体直接接触的电极检出,并通过电缆送至转换\器通过智能化处理,然后LCD显示或转换成标准信号4-20mA和0-1KHz输出。
 
LD-系列电磁流量计主要技术参数
 
公称通径系列DN(mm)
 
 管道式四氟衬里:
 
10、15、20、25、32、40、50、65、80、100、125、150、200、250、300、350、400、450、500 600

管道式橡胶衬里:

40、50、65、80、100、125、150、200、250、300、350、400、500、600、800、1000、1200。

注:特殊规格可以定制。

流动方向:正反净流量

量程比:150:1
 
重复性误差:测量值的±0.1%
 
精度等级:管道式:0.5级、1.0级
 
被测介质温度:
普通橡胶衬里:-20~+60℃
高温橡胶衬里:-20~+90℃
聚四氟乙烯衬里:-30~+100℃
高温型四氟衬里:-30~+180℃
 
额定工作压力:
管道式:DN10-65:≤2.5MPA
            DN80-DN1510:≤1.6MPA
            DN200-1200:≤1.0MPA
 
流量测量范围:流量测量范围对应流进范围是0.3-15m/s
 
电导率范围:被测流体电导率≥5us/cm
大多数以水成分的介质,其导电率在200-800 us/cm范围内均可选用电磁流量计来测量其流量。
 
输出电流及负载电阻:
4-20MA全隔负载电阻<750欧姆,脉冲频率0-1KHZ光电隔离
OCT外接源≤35/通时集电极最大电流为250mA
 
电极材料:
含钼不锈钢、钛(Ti)、钽(Ta)、哈氏合金(H)、铂(pt)或其他特殊电极材料。
 
LD-系列电磁流量计电极材料的选择(应根据被测流体的选择)
 
材料
耐腐蚀性能
      
          316L
适用:1、生活用水,工业用水,原水井水,城市污水
2、弱腐蚀性酸、碱、盐溶液
         
 
      哈氏合金B
适用:1、盐酸(浓度小于10%),一切浓度的氢氧化铵碱溶液
      2、氢氧化钠(浓度小于50%)
      3、磷酸,有机酸
不适用:硝酸
 
     哈氏合金C
适用:1、混酸如锘酸与硫酸的混合溶液
      2、氧化性盐类如Fe++、Cu++
        
 
         钛
适用:1、盐,如(1)氯化物(氯化物/镁/铝/钙/铵/钛等)
               (2)钠盐、钾盐、铵盐、次氯酸盐、海水
      2、浓度小于50%氢氯化钾、氢氯化铵、氢氯化钡碱溶液
不适用:盐酸、硫酸、磷酸、氢氟酸、氰氧化钡碱溶液
          
 
         钽
适用:1、盐酸(浓度小于40%),稀硫酸和浓硫酸(不包括发烟硫酸)
         2、二氧化氯、氯化镁、次氯酸、氰化钠、乙酸铅等
         3、硝酸(包括发烟硝酸)等氧化性酸,温度低于80
不合适:碱,氢氯酸
          
          铂
适用:几乎所有的酸、碱、盐溶液(包括发烟硫酸、发烟硝酸)
不适用:王水、铵盐
 
LD-系列电磁流量计电极材料的选择 (应根据被测介质的腐蚀性、磨损性和温度来选择)
 
内衬材料
名称
符号
性能
最高工作温度
适用液体
适用口径
 
   橡胶
 
氯丁橡胶
CR
耐磨性中等,耐一般低浓度的酸碱盐的腐蚀
<80℃
自来水、工业用水、海水
DN50-2200
 
聚铵脂
PU
极好的耐磨性能,耐酸碱性能较差
<60℃
纸浆、矿浆等浆液
DN25-500
 
 
    氟塑料
 
聚四氟乙烯
F4或PTFE
化学性能很稳定,耐沸的盐酸、硫酸、王水、浓碱的腐蚀
<180℃
腐蚀性强的酸碱盐液体
DN25-1200
聚全氟乙丙稀译名:特氟隆FEP
F46或
FEP
化学性能略逊于F4
<120℃
腐蚀性的酸碱盐液体
DN15-200
四氟乙烯和乙烯
F40
或ETFE
化学性能略逊于F4
<120℃
腐蚀性的酸碱盐液体
DN250-2200
   
   塑料
 聚乙烯
PO
化学性能稳定
<60℃
污水
DN50-2200
 聚苯硫醚
PPS
 
<110℃
热水
DN50-2200
 
LD-系列电磁流量计流量选择表
 
通径
最小流量选择m3/h
通常满程流量选择m3/h
10
0.10
0.5、0.6、0.8、1.0、1.2、1.6、2.0、2.5
15
0.20
1.0、1.2、1.6、2.0、2.5、3.0、4.0、5.0、6.0
20
0.35
2.0、2.5、3.0、4.0、5.0、6.0、8.0、10.0、12.0
25
0.55
3.0、4.0、5.0、6.0、8.0、10.0、12.0、14.0、16.0
32
1.0
5.0、6.0、8.0、10.0、12.0、16、20、25
40
1.5
8.0、10.0、12、16、20、25、30、40
50
2.5
12、16、20、25、30、40、50、60、80、100、120
65
4.0
20、25、30、40、50、60、80、100、120
80
5.5
25、30、40、50、60、80、100、120、160
100
8.5
40、50、60、80、100、120、160、200、250
125
14
60、80、100、120、160、200、250、300、400
150
20
100、120、160、200、250、300、400、500、600
200
35
160、200、250、300、400、500、600、800、1000
250
55
200、250、300、400、500、600、800、1000、1200、1600
300
80
300、400、500、600、800、1000、1200、1600、2000、2500
350
105
400、500、600、800、1000、1200、1600、2000、2500、3000
400
135
500、600、800、1000、1200、1600、2000、2500、3000、4000
450
175
600、800、1000、1200、1600、2000、2500、3000、4000、5000
500
215
800、1000、1200、1600、2000、2500、3000、4000、5000、6000
600
305
1000、1200、1600、2000、2500、3000、4000、5000、6000、10000
700
415
1200、1600、2000、2500、3000、4000、5000、6000、10000、12000
800
545
1600、2000、2500、3000、4000、5000、6000、1000、12000、16000
900
690
2000、2500、3000、4000、5000、6000、10000、12000、16000、20000
1000
850
2500、3000、4000、5000、6000、1000、12000、16000、20000
1200
1250
6000、10000、15000、20000、25000、30000、35000
1400
1700
8000、10000、20000、30000、40000、50000
1600
2500
10000、20000、30000、40000、50000、60000
1800
3000
15000、20000、30000、40000、50000、60000、70000、80000
2000
3500
20000、40000、60000、80000、100000
2200
4000
20000、40000、60000、60000、80000、100000、120000

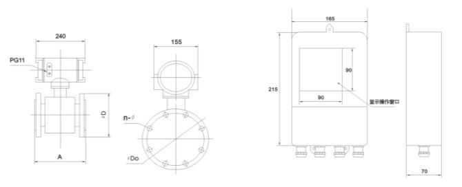
LD-系列电磁流量计外形尺寸(mm)
 
通径
A
D
Do
n-
 
10
150
90
60
4×14
15
150
95
65
4×14
20
150
105
75
4×14
25
150
115
85
4×14
32
150
140
100
4×18
40
200
150
110
4×18
50
200
165
125
4×18
65
200
185
145
8×18
80
200
200
160
8×18
100
250
220
180
8×18
125
250
250
210
8×18
150
300
285
240
8×22
200
350
340
295
8×22
250
400
395
350
12×22
300
460
445
400
12×22
350
460
505
460
16×26
400
600
565
515
16×26
450
600
615
565
20×26
500
600
670
620
20×26
600
600
780
725
20×30
700
600
895
840
20×30
800
800
1015
950
24×33
900
900
1115
1050
24×33
1000
1000
1230
1160
28×33
1200
1200
1405
1340
28×36
1400
1400
1630
1560
32×36
1600
1600
1830
1760
36×36
1800
1800
2045
1970
36×36
2000
2000
2265
2180
48×42
2200
2200
2405
2315
52×45



相关产品
我要询价
×