
金湖县华升计量仪器有限公司
联系人:陈经理
电 话:0517-86994588
客 服:13915185455
客 服:15152325949
邮 箱:service@hs-0.com

管道式橡胶衬里:
40、50、65、80、100、125、150、200、250、300、350、400、500、600、800、1000、1200。
注:特殊规格可以定制。
流动方向:正反净流量
材料
| 耐腐蚀性能
|
316L |
适用:1、生活用水,工业用水,原水井水,城市污水
2、弱腐蚀性酸、碱、盐溶液 |
哈氏合金B |
适用:1、盐酸(浓度小于10%),一切浓度的氢氧化铵碱溶液
2、氢氧化钠(浓度小于50%)
3、磷酸,有机酸
不适用:硝酸 |
哈氏合金C |
适用:1、混酸如锘酸与硫酸的混合溶液
2、氧化性盐类如Fe++、Cu++ |
钛 |
适用:1、盐,如(1)氯化物(氯化物/镁/铝/钙/铵/钛等)
(2)钠盐、钾盐、铵盐、次氯酸盐、海水
2、浓度小于50%氢氯化钾、氢氯化铵、氢氯化钡碱溶液
不适用:盐酸、硫酸、磷酸、氢氟酸、氰氧化钡碱溶液 |
钽 |
适用:1、盐酸(浓度小于40%),稀硫酸和浓硫酸(不包括发烟硫酸)
2、二氧化氯、氯化镁、次氯酸、氰化钠、乙酸铅等
3、硝酸(包括发烟硝酸)等氧化性酸,温度低于80
不合适:碱,氢氯酸 |
铂 |
适用:几乎所有的酸、碱、盐溶液(包括发烟硫酸、发烟硝酸)
不适用:王水、铵盐 |
内衬材料
| 名称
| 符号
| 性能
| 最高工作温度
| 适用液体
| 适用口径 |
橡胶 |
氯丁橡胶 |
CR |
耐磨性中等,耐一般低浓度的酸碱盐的腐蚀 |
<80℃ |
自来水、工业用水、海水 |
DN50-2200 |
聚铵脂 |
PU |
极好的耐磨性能,耐酸碱性能较差 |
<60℃ |
纸浆、矿浆等浆液 |
DN25-500 | |
氟塑料 |
聚四氟乙烯 |
F4或PTFE |
化学性能很稳定,耐沸的盐酸、硫酸、王水、浓碱的腐蚀 |
<180℃ |
腐蚀性强的酸碱盐液体 |
DN25-1200 |
聚全氟乙丙稀译名:特氟隆FEP |
F46或
FEP |
化学性能略逊于F4 |
<120℃ |
腐蚀性的酸碱盐液体 |
DN15-200 | |
四氟乙烯和乙烯 |
F40
或ETFE |
化学性能略逊于F4 |
<120℃ |
腐蚀性的酸碱盐液体 |
DN250-2200 | |
塑料 |
聚乙烯 |
PO |
化学性能稳定 |
<60℃ |
污水 |
DN50-2200 |
聚苯硫醚 |
PPS |
<110℃ |
热水 |
DN50-2200 |
通径
| 最小流量选择m3/h
| 通常满程流量选择m3/h
|
10 |
0.10 |
0.5、0.6、0.8、1.0、1.2、1.6、2.0、2.5 |
15 |
0.20 |
1.0、1.2、1.6、2.0、2.5、3.0、4.0、5.0、6.0 |
20 |
0.35 |
2.0、2.5、3.0、4.0、5.0、6.0、8.0、10.0、12.0 |
25 |
0.55 |
3.0、4.0、5.0、6.0、8.0、10.0、12.0、14.0、16.0 |
32 |
1.0 |
5.0、6.0、8.0、10.0、12.0、16、20、25 |
40 |
1.5 |
8.0、10.0、12、16、20、25、30、40 |
50 |
2.5 |
12、16、20、25、30、40、50、60、80、100、120 |
65 |
4.0 |
20、25、30、40、50、60、80、100、120 |
80 |
5.5 |
25、30、40、50、60、80、100、120、160 |
100 |
8.5 |
40、50、60、80、100、120、160、200、250 |
125 |
14 |
60、80、100、120、160、200、250、300、400 |
150 |
20 |
100、120、160、200、250、300、400、500、600 |
200 |
35 |
160、200、250、300、400、500、600、800、1000 |
250 |
55 |
200、250、300、400、500、600、800、1000、1200、1600 |
300 |
80 |
300、400、500、600、800、1000、1200、1600、2000、2500 |
350 |
105 |
400、500、600、800、1000、1200、1600、2000、2500、3000 |
400 |
135 |
500、600、800、1000、1200、1600、2000、2500、3000、4000 |
450 |
175 |
600、800、1000、1200、1600、2000、2500、3000、4000、5000 |
500 |
215 |
800、1000、1200、1600、2000、2500、3000、4000、5000、6000 |
600 |
305 |
1000、1200、1600、2000、2500、3000、4000、5000、6000、10000 |
700 |
415 |
1200、1600、2000、2500、3000、4000、5000、6000、10000、12000 |
800 |
545 |
1600、2000、2500、3000、4000、5000、6000、1000、12000、16000 |
900 |
690 |
2000、2500、3000、4000、5000、6000、10000、12000、16000、20000 |
1000 |
850 |
2500、3000、4000、5000、6000、1000、12000、16000、20000 |
1200 |
1250 |
6000、10000、15000、20000、25000、30000、35000 |
1400 |
1700 |
8000、10000、20000、30000、40000、50000 |
1600 |
2500 |
10000、20000、30000、40000、50000、60000 |
1800 |
3000 |
15000、20000、30000、40000、50000、60000、70000、80000 |
2000 |
3500 |
20000、40000、60000、80000、100000 |
2200 |
4000 |
20000、40000、60000、60000、80000、100000、120000 |
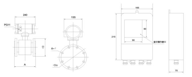
通径
| A
| D
| Do
| n-¢
|
10 |
150 |
90 |
60 |
4×14 |
15 |
150 |
95 |
65 |
4×14 |
20 |
150 |
105 |
75 |
4×14 |
25 |
150 |
115 |
85 |
4×14 |
32 |
150 |
140 |
100 |
4×18 |
40 |
200 |
150 |
110 |
4×18 |
50 |
200 |
165 |
125 |
4×18 |
65 |
200 |
185 |
145 |
8×18 |
80 |
200 |
200 |
160 |
8×18 |
100 |
250 |
220 |
180 |
8×18 |
125 |
250 |
250 |
210 |
8×18 |
150 |
300 |
285 |
240 |
8×22 |
200 |
350 |
340 |
295 |
8×22 |
250 |
400 |
395 |
350 |
12×22 |
300 |
460 |
445 |
400 |
12×22 |
350 |
460 |
505 |
460 |
16×26 |
400 |
600 |
565 |
515 |
16×26 |
450 |
600 |
615 |
565 |
20×26 |
500 |
600 |
670 |
620 |
20×26 |
600 |
600 |
780 |
725 |
20×30 |
700 |
600 |
895 |
840 |
20×30 |
800 |
800 |
1015 |
950 |
24×33 |
900 |
900 |
1115 |
1050 |
24×33 |
1000 |
1000 |
1230 |
1160 |
28×33 |
1200 |
1200 |
1405 |
1340 |
28×36 |
1400 |
1400 |
1630 |
1560 |
32×36 |
1600 |
1600 |
1830 |
1760 |
36×36 |
1800 |
1800 |
2045 |
1970 |
36×36 |
2000 |
2000 |
2265 |
2180 |
48×42 |
2200 |
2200 |
2405 |
2315 |
52×45 |